DLP619
DLP619
Ekskavatör
Yeni
Döküm
HRC63
Müşteri İhtiyaçlarına Göre
Çin
Ekskavatör kepçe
CE
DLP619
Cr Beyaz Demir ve Hafif Çelik
OEM
150mmx75mmx60mm
8431499900
1. açıklaması:
Adı: DLP619 barlar giymek
Açıklamaları:
Malzeme: Cr beyaz demir ve hafif çelik
Sertlik: HRC63
Kolay kesim - korumayı farklı özelliklere göre özelleştirmenize olanak sağlar
Bükülmesi kolay - konturlu bir yüzeyde koruma sağlar.
Önceden çentikli destek plakası ile boğumlu çubuklar kullanın.
Standart veya önceden çentiklenmiş destek plakası ile 5 boyutta mevcuttur.
Uygulamalar:
Kova aşınma şeritleri.
Helezonlar için sert kaplamaların yerini alır, yönlü matkap başlıkları, temel delme, delik delme işlemini yükseltir.
Fan bıçağı astarları.
Pug değirmen kürekler, ucu ve kazıyıcılar.
Geri dönüşüm endüstrisi.
Yol planya kızak ve koruyucuları seçin.
Pompa gövdeleri ve pervanelerin sert yüzeyini değiştirir
2. uygulama:
3.Referans için popüler öğeler darbe:
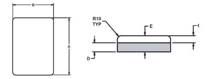
| Parça No. | A (mm) | B (mm) | C (mm) | D (mm) | E (mm) | Ağırlık (kg) |
| DLP-1920 | 75 | 25 | 17 | 8 | 25 | 0.7 |
| DLP-1921 | 100 | 50 | 17 | 8 | 25 | 1.1 |
| DLP-1994 | 100 | 70 | 24 | 8 | 32 | 1 |
| DLP-2196 | 130 | 80 | 15 | 8 | 23 | 1.3 |
| DLP-4771 | 148 | 108 | 25 | 10 | 35 | 2.3 |
| Parça No. | A (mm) | B (mm) | C (mm) | D (mm) | E (mm) | Ağırlık (kg) |
| DLP 4 | 300 | 38 | 25 | 8 | 33 | 3 |
| DLP 295 | 153 | 38 | 25 | 8 | 33 | 1.6 |
| DLP 508 | 190 | 50 | 20 | 10 | 30 | 2.3 |
| DLP 125 | 230 | 50 | 38 | 12 | 50 | 4.6 |
| DLP 1101 | 150 | 50 | 40 | 10 | 50 | 3 |
| DLP 528 | 150 | 75 | 40 | 10 | 50 | 4.5 |
| DLP 619 | 150 | 75 | 50 | 10 | 60 | 5.3 |
| Bölüm # | A (mm) | B (mm) | C (mm) | D (mm) | E (mm) | Ağırlık (kg |
| SB 413 | 200 | 150 | 20 | 25 | 45 | 10.5 |
| SB 412 | 250 | 150 | 20 | 25 | 45 | 13.1 |
| SB 414 | 250 | 250 | 20 | 25 | 45 | 22 |
4. üretim hattımız:
5. Şirket bilgileri
Ningbo Beneparts Machinery co., Ltd sizin güvenilir GET parçaları tedarikçisi olarak, Ekskavatör, Buldozer, Yükleyici, Kazıcı, Kazıyıcı, Kırıcı ve yakında. Kova dişleri, adaptör, dudak örtüsü, koruyucu, riper sapı vb döküm parçalar, dövme kova dişleri, kesme kenarı, greyder bıçakları, segman, uç ucu vb tıknaz çubuklar, aşınma düğmeleri, krom kombine aşınma plakası vb. ve pim, rondela, cıvata ve somun vb. ile eşleşen parçalar gibi. John Deere vs.
Beneparts çok güçlü bir satış ekibine sahip ve üreticiyi yüksek teknoloji ile sağlam bir şekilde işbirliği yaptı ve 28 yılı aşkın tecrübesiyle kaliteye odaklandı.
Avantajlarımız dört katlıdır:
1. güçlü teknik ekip ve müşterilerimizin projelerinin özel ihtiyaçlarını karşılayacak malzemeleri formüle etme yeteneğine sahibiz.
2.Perfect kalite izleme sistemi ve gelişmiş tesislerin tam bir dizi gibi Bileşen analizi makinesi, Darbe Makinesi, Çekme Dayanımı makinesi vb
3. Zengin deneyim OEM / ODM iş yapmak için, belirli bir gereksiniminiz varsa, çizimler ve numunelere göre öğeler geliştirebiliriz.
4. Verimli yönetim, teslimat süresini kısaltabilir ve müşterilerimizle uzun vadeli iş işbirliğini koruyan satış sonrası servisimiz iyi.
Size olan bağlılığımız her zaman hızlı, uygun, etkili müşteri hizmeti sunmaktır.
Sizinle tanışmak için sabırsızlanıyoruz!
1. açıklaması:
Adı: DLP619 barlar giymek
Açıklamaları:
Malzeme: Cr beyaz demir ve hafif çelik
Sertlik: HRC63
Kolay kesim - korumayı farklı özelliklere göre özelleştirmenize olanak sağlar
Bükülmesi kolay - konturlu bir yüzeyde koruma sağlar.
Önceden çentikli destek plakası ile boğumlu çubuklar kullanın.
Standart veya önceden çentiklenmiş destek plakası ile 5 boyutta mevcuttur.
Uygulamalar:
Kova aşınma şeritleri.
Helezonlar için sert kaplamaların yerini alır, yönlü matkap başlıkları, temel delme, delik delme işlemini yükseltir.
Fan bıçağı astarları.
Pug değirmen kürekler, ucu ve kazıyıcılar.
Geri dönüşüm endüstrisi.
Yol planya kızak ve koruyucuları seçin.
Pompa gövdeleri ve pervanelerin sert yüzeyini değiştirir
2. uygulama:
3.Referans için popüler öğeler darbe:
| Parça No. | A (mm) | B (mm) | C (mm) | D (mm) | E (mm) | Ağırlık (kg) |
| DLP-1920 | 75 | 25 | 17 | 8 | 25 | 0.7 |
| DLP-1921 | 100 | 50 | 17 | 8 | 25 | 1.1 |
| DLP-1994 | 100 | 70 | 24 | 8 | 32 | 1 |
| DLP-2196 | 130 | 80 | 15 | 8 | 23 | 1.3 |
| DLP-4771 | 148 | 108 | 25 | 10 | 35 | 2.3 |
| Parça No. | A (mm) | B (mm) | C (mm) | D (mm) | E (mm) | Ağırlık (kg) |
| DLP 4 | 300 | 38 | 25 | 8 | 33 | 3 |
| DLP 295 | 153 | 38 | 25 | 8 | 33 | 1.6 |
| DLP 508 | 190 | 50 | 20 | 10 | 30 | 2.3 |
| DLP 125 | 230 | 50 | 38 | 12 | 50 | 4.6 |
| DLP 1101 | 150 | 50 | 40 | 10 | 50 | 3 |
| DLP 528 | 150 | 75 | 40 | 10 | 50 | 4.5 |
| DLP 619 | 150 | 75 | 50 | 10 | 60 | 5.3 |
| Bölüm # | A (mm) | B (mm) | C (mm) | D (mm) | E (mm) | Ağırlık (kg |
| SB 413 | 200 | 150 | 20 | 25 | 45 | 10.5 |
| SB 412 | 250 | 150 | 20 | 25 | 45 | 13.1 |
| SB 414 | 250 | 250 | 20 | 25 | 45 | 22 |
4. üretim hattımız:
5. Şirket bilgileri
Ningbo Beneparts Machinery co., Ltd sizin güvenilir GET parçaları tedarikçisi olarak, Ekskavatör, Buldozer, Yükleyici, Kazıcı, Kazıyıcı, Kırıcı ve yakında. Kova dişleri, adaptör, dudak örtüsü, koruyucu, riper sapı vb döküm parçalar, dövme kova dişleri, kesme kenarı, greyder bıçakları, segman, uç ucu vb tıknaz çubuklar, aşınma düğmeleri, krom kombine aşınma plakası vb. ve pim, rondela, cıvata ve somun vb. ile eşleşen parçalar gibi. John Deere vs.
Beneparts çok güçlü bir satış ekibine sahip ve üreticiyi yüksek teknoloji ile sağlam bir şekilde işbirliği yaptı ve 28 yılı aşkın tecrübesiyle kaliteye odaklandı.
Avantajlarımız dört katlıdır:
1. güçlü teknik ekip ve müşterilerimizin projelerinin özel ihtiyaçlarını karşılayacak malzemeleri formüle etme yeteneğine sahibiz.
2.Perfect kalite izleme sistemi ve gelişmiş tesislerin tam bir dizi gibi Bileşen analizi makinesi, Darbe Makinesi, Çekme Dayanımı makinesi vb
3. Zengin deneyim OEM / ODM iş yapmak için, belirli bir gereksiniminiz varsa, çizimler ve numunelere göre öğeler geliştirebiliriz.
4. Verimli yönetim, teslimat süresini kısaltabilir ve müşterilerimizle uzun vadeli iş işbirliğini koruyan satış sonrası servisimiz iyi.
Size olan bağlılığımız her zaman hızlı, uygun, etkili müşteri hizmeti sunmaktır.
Sizinle tanışmak için sabırsızlanıyoruz!