geçerli yer: Ev » Ürünler » Kova dişleri ve adaptörü » Caterpillar Kova dişleri » Ekskavatör Aşınma Parçaları DLP1101 Aşınma Plakası

loading

Ekskavatör Aşınma Parçaları DLP1101 Aşınma Plakası

Miktar:
sharethis sharing button
  •  DLP1101

  •  Ekskavatör

  •  Yeni

  • Döküm

  •  HRC63

  •  Müşteri İhtiyaçlarına Göre

  •  Çin

  •  Ekskavatör kepçe

  •  CE

  •  DLP1101

  •  Cr Beyaz Demir ve Hafif Çelik

  •  OEM

  •  150mmx50mmx50mm

  • 8431499900

1. açıklaması:
Adı: DLP1101 giymek barlar
Açıklamaları:
Malzeme: Cr beyaz demir ve hafif çelik
Sertlik: HRC63

Kolay kesim - korumayı farklı özelliklere göre özelleştirmenize olanak sağlar
Bükülmesi kolay - konturlu bir yüzeyde koruma sağlar.
Önceden çentikli destek plakası ile boğumlu çubuklar kullanın.
Standart veya önceden çentiklenmiş destek plakası ile 5 boyutta mevcuttur.

Uygulamalar:
Kova aşınma şeritleri.
Helezonlar için sert kaplamaların yerini alır, yönlü matkap başlıkları, temel delme, delik delme işlemini yükseltir.
Fan bıçağı astarları.
Pug değirmen kürekler, ucu ve kazıyıcılar.
Geri dönüşüm endüstrisi.
Yol planya kızak ve koruyucuları seçin.
Pompa gövdeleri ve pervanelerin sert yüzeyini değiştirir

2. ürünlerimiz aralığı
Ekskavatör Aşınma Parçaları DLP1101 Aşınma Plakası

3.Referans için popüler öğeler darbe:
Ekskavatör Aşınma Parçaları DLP1101 Aşınma Plakası

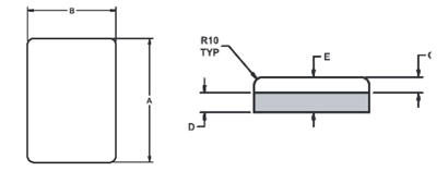
Parça No. A (mm) B (mm) C (mm) D (mm) E (mm) Ağırlık (kg)
DLP-1920 75 25 17 8 25 0.7
DLP-1921 100 50 17 8 25 1.1
DLP-1994 100 70 24 8 32 1
DLP-2196 130 80 15 8 23 1.3
DLP-4771 148 108 25 10 35 2.3

Ekskavatör Aşınma Parçaları DLP1101 Aşınma Plakası

Parça No. A (mm) B (mm) C (mm) D (mm) E (mm) Ağırlık (kg)
DLP 4 300 38 25 8 33 3
DLP 295 153 38 25 8 33 1.6
DLP 508 190 50 20 10 30 2.3
DLP 125 230 50 38 12 50 4.6
DLP 1101 150 50 40 10 50 3
DLP 528 150 75 40 10 50 4.5
DLP 619 150 75 50 10 60 5.3

Ekskavatör Aşınma Parçaları DLP1101 Aşınma Plakası

Bölüm # A (mm) B (mm) C (mm) D (mm) E (mm) Ağırlık (kg
SB 413 200 150 20 25 45 10.5
SB 412 250 150 20 25 45 13.1
SB 414 250 250 20 25 45 22


4. bizim depo:
Ekskavatör Aşınma Parçaları DLP1101 Aşınma Plakası


5. Şirket bilgileri

Ningbo Beneparts Machinery co., Ltd sizin güvenilir GET parçaları tedarikçisi olarak, Ekskavatör, Buldozer, Yükleyici, Kazıcı, Kazıyıcı, Kırıcı ve yakında. Kova dişleri, adaptör, dudak örtüsü, koruyucu, riper sapı vb döküm parçalar, dövme kova dişleri, kesme kenarı, greyder bıçakları, segman, uç ucu vb tıknaz çubuklar, aşınma düğmeleri, krom kombine aşınma plakası vb. ve pim, rondela, cıvata ve somun vb. ile eşleşen parçalar gibi. John Deere vs.

Beneparts çok güçlü bir satış ekibine sahip ve üreticiyi yüksek teknoloji ile sağlam bir şekilde işbirliği yaptı ve 28 yılı aşkın tecrübesiyle kaliteye odaklandı.

Avantajlarımız dört katlıdır:
1. güçlü teknik ekip ve müşterilerimizin projelerinin özel ihtiyaçlarını karşılayacak malzemeleri formüle etme yeteneğine sahibiz.
2.Perfect kalite izleme sistemi ve gelişmiş tesislerin tam bir dizi gibi Bileşen analizi makinesi, Darbe Makinesi, Çekme Dayanımı makinesi vb
3. Zengin deneyim OEM / ODM iş yapmak için, belirli bir gereksiniminiz varsa, çizimler ve numunelere göre öğeler geliştirebiliriz.
4. Verimli yönetim, teslimat süresini kısaltabilir ve müşterilerimizle uzun vadeli iş işbirliğini koruyan satış sonrası servisimiz iyi.

Size olan bağlılığımız her zaman hızlı, uygun, etkili müşteri hizmeti sunmaktır.
Sizinle tanışmak için sabırsızlanıyoruz!


Ekskavatör Aşınma Parçaları DLP1101 Aşınma Plakası

Önceki: 
Sonraki: 

HIZLI LİNKLER

GARANTİ

BeneParts tüm garantiler kırılmalara karşı yedek parçalar. Bu parçalardan herhangi biri normal çalışma koşullarında kırılırsaBiz ücretsiz yeni bir parça sağlayacaktır.

TEMASTA OLMAK

Adres:HuiyaUluslararasıbina,
    No.1107-803 Kuzey Tiantong
Yol,
Ningbo, P.R.C. 315100
Tel: +86 574 88167027
E-posta:sales@beneparts.cn